Описание
Серия :Clip on с доводчиком
Наложение :накладная
Тип :Петля мебельная
Плавное закрывание :да
Цвет :никель
Тип монтажа :Clip-on
Толщина фасада :Для стандартных фасадов
Толщина боковины :Для стандартных боковин
Диаметр чашки, мм :35
Протестировано на количество циклов откр/закр :30000
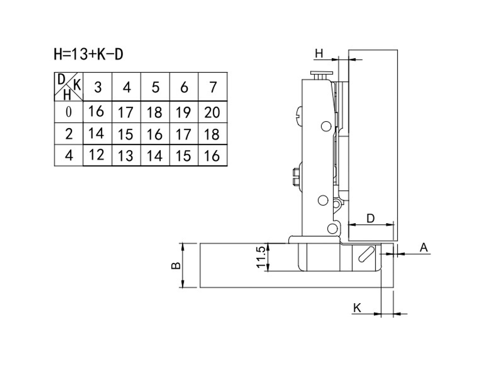
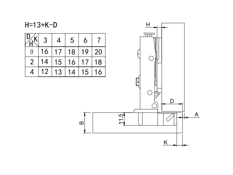
Регулировка глубины на петле: :Винт
Эксц. рег-ка высоты на планке :нет
Показать полностью
Свернуть
Отзывы
Отзывов еще никто не оставлял
Аналогичные товары
